真空泵DW/DS/DT系列
发布时间:2025-06-24
作者:爱锐精密科技(大连)有限公司
浏览数:0
产品描述:爱锐精密科技大连有限公司是日本SATO佐藤真空在中国大陆地区总代理。所有产品经由大连以大宗货物型式进口,并向全国提供发货。向大陆地区提供最便捷,最低廉的真空产品。并且提供一直在大陆地区无法买到的高纯,
爱锐精密科技大连有限公司是日本SATO佐藤真空在中国大陆地区总代理。所有产品经由大连以大宗货物型式进口,并向全国提供发货。向大陆地区提供最便捷,最低廉的真空产品。并且提供一直在大陆地区无法买到的高纯,高品质佐藤真空的原装真空泵用密封油,相关的部件备品,及各种真空计(压力计)的校正等服务。
日本SATO佐藤真空(PHIL)直连型油回转真空泵DW/DS/DT系列
DW/DS/DT系列是旋片式真空泵,采用高转速马达,与皮带式真空泵相比体积小,排气速度快,使用方便等特点。
DW系列50~1300(60~1500)L/min,7个机种构成,同时采用2段式压缩方式,更容易得到高真空环境。
DS/DT系列是一段式压缩方式,体积小,价格便宜,低真空,长时间连续运转等领域很适合。
DW系列2段式规格一览
| 型号 | 排气速度 L/min(50/60Hz) | 到达真空度 Pa |
|---|---|---|
| DW-60 | 50/60 | 6.7×10-2 |
| DW-120 | 100/120 | |
| DW-185II | 155/185 | |
| DW-360 | 300/360 | |
| DW-720 | 600/720 | |
| DW-960 | 800/960 | |
| DW-1500 | 1300/1500 |
另有特殊表面耐腐蚀性处理DW-C型
DS/DT系列1段式规格一览
| 型号 | 排气速度 L/min(50/60Hz) | 到达真空度 Pa |
|---|---|---|
| DS-20II | 17/20 | 1×102 |
| DS-50II | 42/50 | |
| DT-5 | 5/6 | 2×103 |
主要用途
理化学机械工业: 表面,质量分析器,电子显微镜,公害测定机器,各种研究开发机器
电子工业:电子管,阴极射线管,继电器板,半导体,平板制造设备 脱气/烘烤/干燥/蒸发/溅射/真空填装
食品工业: 真空蒸溜,浓缩,脱气,真空(冻结)干燥,真空包装
化学,医药行业: 油脂,石油,可塑剂蒸溜,脱气,脱臭,脱水,医药品的冻结干燥
能源产业:锰电池,锂离子电池的脱气,干燥,含浸
光学工业:透镜镜头,半透明反射镜,镜片的制造设备,表面真空涂层/溅射
其它工业机械:树脂的注塑,成型,脱气,含浸,填充,真空排气设备等。
使用注意点:
一,标准使用条件
1,被抽取气体的种类:空气或非活性气体
2,被抽取气体的温度:10~40℃
3,周围温度:10~40℃/湿度75% 以下
二,如下环境使用时请提前联系我们,以提供更适合的机种。
1,被抽取气体为腐蚀生气体,可燃性气体,药品,溶剂,粉体,水蒸气等
2,常用压力为1000Pa以上的环境
3,真空与大气压反复频率过高的情况
三,真空泵内油量及污染性况需要定期检查
四,为了防止真空泵内部的油逆流入真空腔,停机后请装泵内气压增到大气压。
五,大气压~133Pa范围工作时,从排气口部分内部油会随排气一起排到泵外,出现漏油现像,为了防止漏油,所以见意使用漏油收集器(OIL MIST TRAP)。
马达规格一览表
| 型号 | 电源规格 | 标准马达 | 额定电流(A) | 热额定值 (A) | 电源连接 | ||
|---|---|---|---|---|---|---|---|
| 功率(w) | 外型构造 | 50Hz | 60Hz | ||||
| DW-60 | AC100V単相 | 200 | 开放防滴型 | 5.6 | 4.8 | 8 | |
| DW-120 | AC100V単相 | 300 | 开放防滴型 | 7.7 | 6.8 | 10 | 开关插头 |
| DW-185II | AC100V単相 | 550 | 全闭外扇型 | 9 | 8.8 | 15 | 开关插头 |
| AC200V三相 | 400 | 全闭外扇型 | 2.2 | 2 | - | 端子 | |
| DW-360 | AC200V三相 | 750 | 全闭外扇型 | 3.7 | 3.4 | - | 端子 |
| DW-720 | AC200V三相 | 1500 | 全闭外扇型 | 6.6 | 6.2 | - | 端子 |
| DW-960 | AC200V三相 | 1500 | 全闭外扇型 | 7.4 | 7 | - | 端子 |
| DW-1500 | AC200V三相 | 2200 | 全闭外扇型 | 9.6 | 9 | - | 端子 |
| DT-5 | AC100V単相 | 65 | 开放防滴型 | 2.8 | 2.4 | 3 | 开关插头 |
| DT-20 | AC100V単相 | 65 | 开放防滴型 | 2.8 | 2.4 | 3 | 开关插头 |
| DS-20II | AC100V単相 | 200 | 外扇型 | 5.4 | 4.6 | 马达内置 | 开关插头 |
| DS-50II | AC100V単相 | 200 | 外扇型 | 5.4 | 4.6 | 马达内置 | 开关插头 |
![]() | ![]() |
|---|
点击图纸看扩大图纸
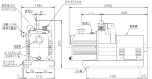
DW-60 2段式规格
| 排气速度 | L/min | 50Hz | 60Hz | ||
|---|---|---|---|---|---|
| 50 | 60 | ||||
| 到达压力 | G.B.阀关闭 | Pa | 6.7×10-2 | ||
| G.B.阀开放 | 6.7 | ||||
| 马达功率 | W | 200 | |||
| 电压 | V | 1φ100V | |||
| 回转数 | min-1 | 50Hz | 60Hz | ||
| 1430 | 1750 | ||||
| 油量 | L | 0.9 | |||
| 尺寸 | mm | W | 425 | ||
| D | 185 | ||||
| H | 271 | ||||
| 吸气口径 | mm | 16 | |||
| 重量 | kg | 18 | |||
油集器 OIL MIST TRAP (选择购买品) | 标准型 | OMT-O-50 | |||
| OMT-D-100 | |||||
| 在线型 | OMT-C-50 | ||||
| OMT-C-100 | |||||
![]() | ![]() |
|---|
点击图纸看扩大图纸
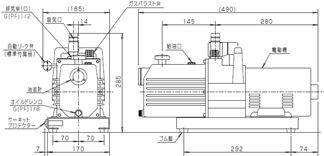
DW-120 2段式规格
| 排气速度 | L/min | 50Hz | 60Hz | ||
|---|---|---|---|---|---|
| 100 | 120 | ||||
| 到达压力 | G.B.阀关闭 | Pa | 6.7×10-2 | ||
| G.B.阀开放 | 6.7 | ||||
| 马达功率 | W | 300 | |||
| 电压 | V | 1φ100V | |||
| 回转数 | min-1 | 50Hz | 60Hz | ||
| 1440 | 1710 | ||||
| 油量 | L | 0.9 | |||
尺寸 | mm | W | 490 | ||
| D | 185 | ||||
| H | 285 | ||||
| 吸气口径 | mm | 23 | |||
| 重量 | kg | 18 | |||
油集器 OIL MIST TRAP (选择购买品) | 标准型 | CT-D-100 | |||
| INLINE型 | OMT-C-100 | ||||
![]() | ![]() |
|---|
点击图纸看扩大图
DW-185 II 2段式规格
| 排气速度 | L/min | 50Hz | 60Hz | ||
|---|---|---|---|---|---|
| 155 | 185 | ||||
| 到达压力 | G.B.阀关闭 | Pa | 6.7×10-2 | ||
| G.B.阀开放 | 6.7 | ||||
| 马达功率 | W | 400(550)* | |||
| 电压 | V | 3φ200V(1φ100V) | |||
| 回转数 | min-1 | 50Hz | 60Hz | ||
| 1420 | 1720 | ||||
| 油量 | L | 1.8 | |||
尺寸 | mm | W | 541(562) | ||
| D | 210(225) | ||||
| H | 380 | ||||
| 吸气口径 | mm | 23 | |||
| 重量 | kg | 33(38) | |||
油集器 OIL MIST TRAP (选择购买品) | 标准型 | CT-D-300 | |||
| INLINE型 | CT-C-300 | ||||
![]() | ![]() |
|---|
点击图纸看扩大图
DW-360 2段式规格
| 排气速度 | L/min | 50Hz | 60Hz | ||
|---|---|---|---|---|---|
| 300 | 360 | ||||
| 到达压力 | G.B.阀关闭 | Pa | 6.7×10-2 | ||
| G.B.阀开放 | 6.7 | ||||
| 马达功率 | W | 750 | |||
| 电压 | V | 3φ200V | |||
| 回转数 | min-1 | 50Hz | 60Hz | ||
| 1400 | 1690 | ||||
| 油量 | L | 2.2 | |||
尺寸 | mm | W | 569 | ||
| D | 275 | ||||
| H | 358 | ||||
| 吸气口径 | mm | 30 | |||
| 重量 | kg | 34 | |||
油集器 OIL MIST TRAP (选择购买品) | 标准型 | CT-D-300 | |||
| INLINE型 | CT-C-300 | ||||
![]() | ![]() |
|---|
点击图纸看扩大图
DW-720 2段式规格
| 排气速度 | L/min | 50Hz | 60Hz | ||
|---|---|---|---|---|---|
| 600 | 720 | ||||
| 到达压力 | G.B.阀关闭 | Pa | 6.7×10-2 | ||
| G.B.阀开放 | 6.7 | ||||
| 马达功率 | W | 1500 | |||
| 电压 | V | 3φ200V | |||
| 回转数 | min-1 | 50Hz | 60Hz | ||
| 1420 | 1710 | ||||
| 油量 | L | 2.3 | |||
尺寸 | mm | W | 685 | ||
| D | 258 | ||||
| H | 358 | ||||
| 吸气口径 | mm | VG-40A | |||
| 重量 | kg | 65 | |||
油集器 OIL MIST TRAP (选择购买品) | 标准型 | CT-D-600 | |||
| INLINE型 | CT-C-650 | ||||
![]() | ![]() |
|---|
点击图纸看扩大图
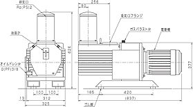
DW-960 2段式规格
| 排气速度 | L/min | 50Hz | 60Hz | ||
|---|---|---|---|---|---|
| 800 | 960 | ||||
| 到达压力 | G.B.阀关闭 | Pa | 6.7×10-2 | ||
| G.B.阀开放 | 6.7 | ||||
| 马达功率 | W | 1500(6P) | |||
| 电压 | V | 3φ200V | |||
| 回转数 | min-1 | 50Hz | 60Hz | ||
| 930 | 1110 | ||||
| 油量 | L | 7.0 | |||
尺寸 | mm | W | 837 | ||
| D | 325 | ||||
| H | 576 | ||||
| 吸气口径 | A | VG-50A | |||
| 重量 | kg | 115 | |||
附属品油收集器口径 OIL MIST TRAP 口径 | ins. | Rp(PS)2 | |||
![]() | ![]() |
|---|
点击图纸看扩大图
DW-1500 2段式规格
| 排气速度 | L/min | 50Hz | 60Hz | ||
|---|---|---|---|---|---|
| 1300 | 1500 | ||||
| 到达压力 | G.B.阀关闭 | Pa | 6.7×10-2 | ||
| G.B.阀开放 | 6.7 | ||||
| 马达功率 | W | 2200 | |||
| 电压 | V | 3φ200V | |||
| 回转数 | min-1 | 50Hz | 60Hz | ||
| 1430 | 1720 | ||||
| 油量 | L | 7.0 | |||
尺寸 | mm | W | 837 | ||
| D | 325 | ||||
| H | 626 | ||||
| 吸气口径 | A | VG-50A | |||
| 重量 | kg | 115 | |||
附属品油收集器口径 OIL MIST TRAP 口径 | ins. | Rp(PS)2 | |||
![]() | ![]() |
|---|
点击图纸看扩大图
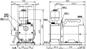
DS-20 II/DS-50II 1段式规格
| 型号 | DS-20II | DS-50II | |||
|---|---|---|---|---|---|
| 排气速度 | L/min | 50Hz | 17 | 42 | |
| 60Hz | 20 | 50 | |||
| 到达压力 | G.B.阀关闭 | Pa | 1×102 | ||
| G.B.阀开放 | |||||
| 马达功率 | W | 200 | |||
| 电压 | V | 1φ100V | |||
| 回转数 | min-1 | 50Hz | 1430 | ||
| 60Hz | 1710 | ||||
| 油量 | L | 0.5 | |||
| 尺寸 | mm | W | 290 | ||
| D | 198 | ||||
| H | 288 | ||||
| 吸气口径 | mm | 9.5 | |||
| 重量 | kg | 10 | |||
附属品油收集器 OIL MIST TRAP | 标准型 | OMT-N-100 | |||
![]() | ![]() |
|---|---|
![]() |
点击图纸看扩大图
DS-20 II/DS-50II 1段式规格
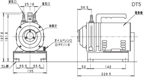
| 型号 | DT-5 | DT-20 | |||
|---|---|---|---|---|---|
| 排气速度 | L/min | 50Hz | 5 | 20 | |
| 60Hz | 6 | 24 | |||
| 到达压力 | G.B.阀关闭 | Pa | 2×103 | ||
| G.B.阀开放 | |||||
| 马达功率 | W | 65 | |||
| 电压 | V | 1φ100V | |||
| 回转数 | min-1 | 50Hz | 1440 | ||
| 60Hz | 1730 | ||||
| 油量 | L | 0.1 | 0.2 | ||
| 尺寸 | mm | W | 229.5 | 256.5 | |
| D | 135 | 135 | |||
| H | 197.5 | 197.5 | |||
| 吸气口径 | mm | 9 | |||
| 重量 | kg | 8 | 12 | ||
油回收器(OIL MIST TRAP) |
自动防逆流阀 |
油面计 |
真空泵用油 |
|---|---|---|---|
真空用配管 |
真空阀门 |
特殊自动防逆流阀LCLV |
真空橡胶管 |
真空油过滤器 |
其它真空部件备品 |
KEYWORDS:佐藤真空, SATOVAC, 真空泵系列,佐藤真空, SATOVAC, 真空泵系列,佐藤真空直联真空泵系列,DW/DS/DT系列,DW-60, DW-120, DW-185II, DW-360, DW-720, DW-960, DW-1500, DT-5/DT-20, DS-20 II/DS-50II, P65D, P100D, P135D, P165D, P1000D, P1500D,USW-20, USW-50, USW-100N, USW-150, USW-300, USW-500, USW-650, USW-960, USW-1500, UST-20, UST-50, UST-100, UST-150, UST-300, UST-500, TSW-20, TSW-50, TSW-100N, TSW-150, TSW-300, TSW-500, TSW-650, TST-20, TST-50, TST-100, TST-150, TST-300, TST-500, BSW-20, BSW-50, BSW-100N, BSW-150, BST-20, BST-50, BST-100, BST-150, PSW-20, PSW-50, PST-20, PST-50, KS-7, KS-10, KS-15, KS-20B, KS-25B, KS-30B, KS-30B, KS-40B. KS-75B, KS-150, LM-1-125, LM-1-250, WS-2-250, WS-2-250AT, OFD-50W, OFD-100W, OFD-150W, OFD-50S, OFD-100S, OFD-150S, MD-1C, MZ2CNT, SB-10, SB-25, SB-50, SB-100S, SB-150S, SB-200, SB-300S, SB-600, MB-200, MB-600ZA, MB-600ZB, MB-1500ZA, MB-1500ZB, MB-2500ZA, MB-2500ZB, SDP-2, SDP-2A*1, SDP-3, SDP-3A*1, SDP-4, SDP-4A*1, SDP-6, SDP-8, SDP-10, SDP-14双级真空泵,耐腐食真空泵,进口真空油回转真空泵,





























